TACO Marine
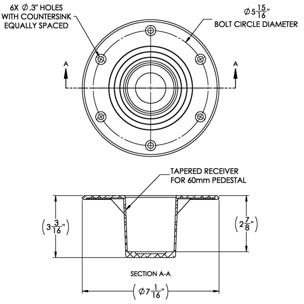
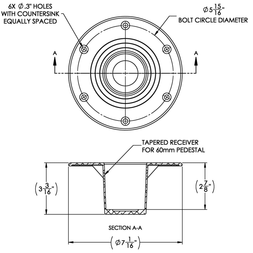
TACO Table Support - Flush Mount - Fits 2-3/8" Pedestals [Z10-4085BLY60MM]
TACO Table Support - Flush Mount - Fits 2-3/8" Pedestals [Z10-4085BLY60MM]
Regular price
$73.99 USD
Regular price
$91.99 USD
Sale price
$73.99 USD
Quantity
Couldn't load pickup availability
Table Support - Flush Mount - Fits 2-3/8" Pedestals
Aluminum - Brite Anodized
The Zwaardvis table pedestal systems provide a wide array of base options to cover most applications. All bases are designed to accept the innovative Zwaardvis tapered column for convenient removal and storage.
Features and Benefits
- Bases are tapered for secure fit
- Three year limited warranty
- Base Outside Diameter: 7-1/16"
